사업분야

함정 및 선박 관련 기술 혁신을 통한 안전성 및 효율성을 강화하는데 주력하고 있습니다.

함정 디지털 시뮬레이션

가상 환경에서의 시뮬레이션 수행을 통한 성능 분석, 안전성 평가 및 운용 효율성 최적화

충격/진동/구조 해석 주요계통 설계성능 검증

주요계통 설계성능 검증

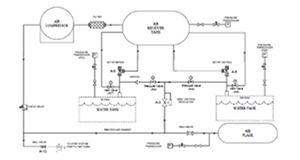
  • HM&E 상용 계산 프로그램 “SIMSMART ES”를 이용한 함정의 주요계통 설계결과 검증
  • 잠수함의 6자유도 운동이 반영된 Platform Simulator를 활용한 조종운동 시뮬레이션 수행

* HM&E : Hull Mechanical and Electrical

시스템 설계 도면

Air System
Water System
HVAC System
HVAC System

SIMSMART ES V6 P&ID 모델링

Air System
Water System
HVAC System
HVAC System

Platform Simulator